Couldn't load pickup availability
Free standard UK Royal Mail shipping on orders over £60
* Liquids and Aerosols can't be sent via Royal Mail or DHL. Products length + width + depth more than 90cm will also be excluded from Royal Mail.
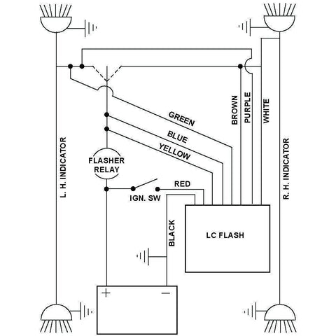
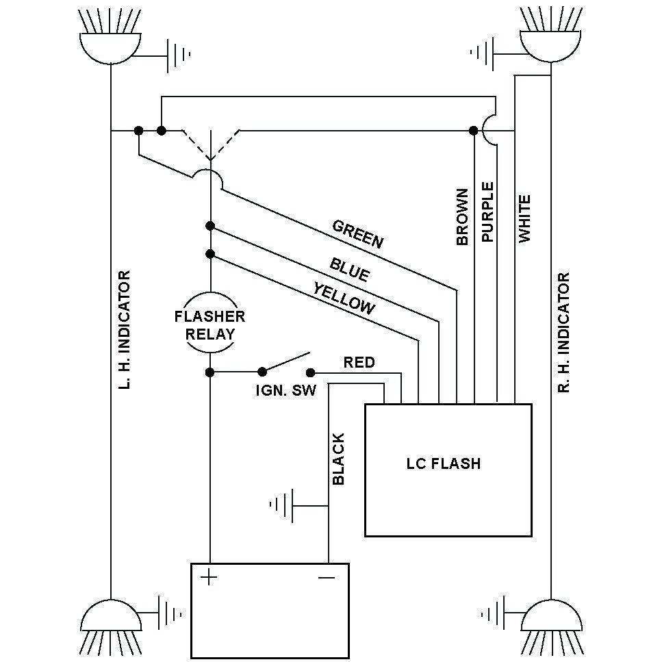
Many column-mounted indicator switches make a momentary connection just before they latch in either left or right position.
This unit uses this momentary ‘pulse’ to switch on the indicator for three flashes.
NOTE: Your vehicles indicator lamps or flasher relay must have a permanent earth for this device to work.
CONNECTIONS
RED - Ignition +12 volts.
BLACK - Earth
WHITE - Right Indicator Lamps Circuit
PURPLE - Left Indicator Lamps Circuit
BLUE - Connect into feed to Right side Indicator switch
YELLOW - Connect into feed to Left side Indicator switch
BROWN - Connect into output of Right side Indicator switch
GREEN.- Connect into output of Left side Indicator switch.
LANE CHANGE FLASHER TIMER #LCFLASH
You may return most new, unopened items within 30 days of delivery for a full refund. We'll also pay the return shipping costs if the return is a result of our error (you received an incorrect or defective item, etc.).
You should expect to receive your refund within four weeks of giving your package to the return shipper, however, in many cases you will receive a refund more quickly. This time period includes the transit time for us to receive your return from the shipper (5 to 10 business days), the time it takes us to process your return once we receive it (1 to 3 business days), and the time it takes your bank to process our refund request (5 to 10 business days).
If you need to return an item, simply login to your account, view the order using the "Complete Orders" link under the My Account menu and click the Return Item(s) button. We'll notify you via e-mail of your refund once we've received and processed the returned item.
We can ship to virtually any address in the world. Note that there are restrictions on some products, and some products cannot be shipped to international destinations.
When you place an order, we will estimate shipping and delivery dates for you based on the availability of your items and the shipping options you choose. Depending on the shipping provider you choose, shipping date estimates may appear on the shipping quotes page.
Please also note that the shipping rates for many items we sell are weight-based. The weight of any such item can be found on its detail page. To reflect the policies of the shipping companies we use, all weights will be rounded up to the next full pound.
Receive our latest updates about our products and promotions.
Thanks for subscribing!
This email has been registered!

| Product | SKU | Description | Collection | Availability | Product Type | Other Details |
|---|